Перейти до публікації

Продам 4в1 И Скамью Для Жима


Рекомендовані повідомлення

Опубліковано:

Интересует конечная цена вашего девайса, и почему рукоятки брусьев в обратную сторону расположены, или они разборные?

3403875100_3.jpeg

  • Відповіді 104
  • Створено
  • Остання відповідь

Кращі автори в цій темі

  • Ironfit

    26

  • Outlawif

    10

  • Halk

    10

  • ACC

    9

Кращі автори в цій темі

  • Ironfit

    Ironfit 26 публікацій

  • Outlawif

    Outlawif 10 публікацій

  • Halk

    Halk 10 публікацій

  • ACC

    ACC 9 публікацій

Опубліковано:
Интересует конечная цена вашего девайса, и почему рукоятки брусьев в обратную сторону расположены, или они разборные?

 

Стойки с двумя направлюящими 700 грн, брусья +35 грн держатели под блины +55 грн. 780 за все.

 

брусья можно в любую сторону ставить , они расточные.

Фото_0026.jpg

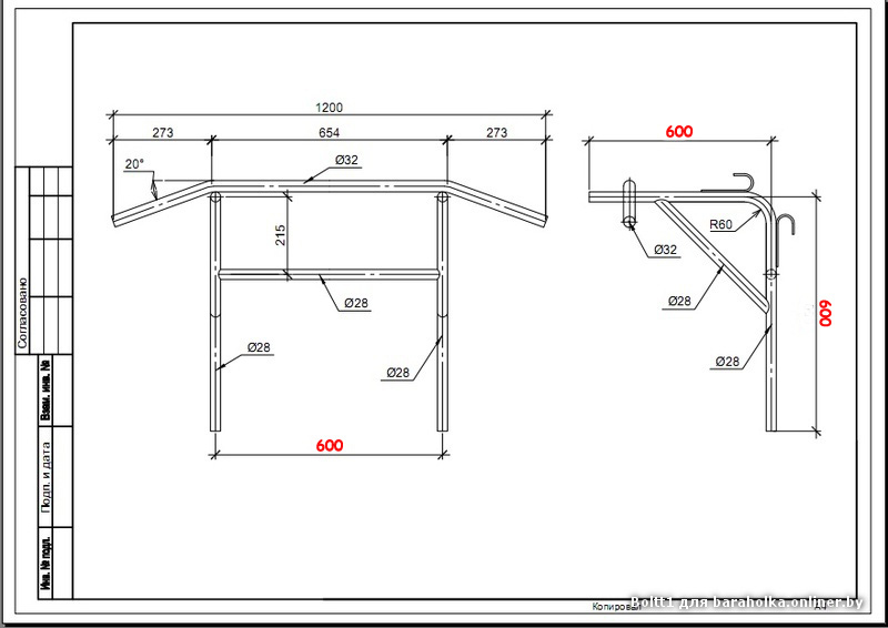
Опубліковано: (змінено)

Добрый день. Пимите заказ: турник - брусья(чертеж во вложении, красным помечены принципиальные размеры, остальное на ваше усмотрение)+ как вы писали обратный хват сделайте. Напишите (можно в ЛС) окончательную стоимость и способ оплаты-доставки. Свой телефон брошу вам в лс. Спасибо.

турник.jpg

Змінено користувачем VUBlack
Опубліковано:

По просьбе некоторых форумчан выкладиваю варианты регулируемых лавок.

1. вариант угол наклона спинки от0 до85 градусов, профиль конструкции 50х50 мм. 900 грн

2. вариант угол накона спинки от 0 до 85 градусов, профиль конструкции 80х40 мм и 40х40 мм. 1000 грн.

3. вариант угол наклона спинки от0 до85 градусов, профиль конструкции 40х40 мм. 700 грн.

Больше фото по желанию.

Фото_0004иии.jpg

Фото_0020.jpg

02022013_008_.jpg

Опубліковано:

Оставлю еще один отзыв. Брусья, которые получил в первый раз, мне не подошли - слишком узкие для меня. Оставил жене для пресса, заказал у камрада еще одни брусья, более широкие, расходящиеся, и короче, более мощные. Т.к. первые мне не подошли, IronFit вторые отдал мне по себестоимости, за смешную цену. За что ему одтельный респект и спасибо, в нашем мире алчности и стяжательства - совершенно неожиданный поступок :) Оставляю об этом отзыв и плюс в репутацию.

 

ЗЫ Рамой не могу нарадоваться, просто супер. Как-нибудь позже еще лавку закажу универсальную.

Опубліковано:

0utlaw,

можно фото и цену? Тоже очень интересует рама. А то дома силовой цикл без страховки как-то не очень..

Опубліковано:
можно фото и цену? Тоже очень интересует рама. А то дома силовой цикл без страховки как-то не очень..
Вот начиная с этого поста: https://ironflex.com.ua/phorum/index.ph...ndpost&p=393268 и еще дальше несколько штук, там видео - я в раме. Рама правда не целиком в кадре, но оценить можно. В квартире неудобно ее сфоткать целиком, она в углу стоит. Почти такая же:

post-30538-1371461372.jpg

Разница только в прутах страховки, они гораздо толще и тяжелее и сверху еще турник есть. Держаки для блинов в любую сторону можно прикрутить, я внутрь поставил, для экономии места. Цена - 2400. Без задней части, которая обведена черным, там где блины вешать - 2000. Небольшое конструктивное усовершенствование в виде чуть более длинных ножек выступающих спереди, мне сделали бесплатно.

Опубліковано:
Вот начиная с этого поста: https://ironflex.com.ua/phorum/index.ph...ndpost&p=393268 и еще дальше несколько штук, там видео - я в раме. Рама правда не целиком в кадре, но оценить можно. В квартире неудобно ее сфоткать целиком, она в углу стоит. Почти такая же:

post-30538-1371461372.jpg

Разница только в прутах страховки, они гораздо толще и тяжелее и сверху еще турник есть. Держаки для блинов в любую сторону можно прикрутить, я внутрь поставил, для экономии места. Цена - 2400. Без задней части, которая обведена черным, там где блины вешать - 2000. Небольшое конструктивное усовершенствование в виде чуть более длинных ножек выступающих спереди, мне сделали бесплатно.

Супер. Цена радует.

Спасибо.

Опубліковано:

Рама супер! Хочу такую) Продайте плиз...

Ещё только приварить какую-нибудь штуку снизу для того что-бы гриф вставлять и делать тягу т-грифа.

Опубліковано:
Ещё только приварить какую-нибудь штуку снизу для того что-бы гриф вставлять и делать тягу т-грифа.
Думал об этом. Есть мысль не приварить, а сделать отдельной деталью. Типа такого:

300x300.jpg

но вместо платформы которую к полу прикручивают, обжимное крепление на профиль.

Створіть акаунт або увійдіть у нього для коментування

Ви маєте бути користувачем, щоб залишити коментар

Створити акаунт

Зареєструйтеся для отримання акаунту. Це просто!

Зареєструвати акаунт

Увійти

Вже зареєстровані? Увійдіть тут.

Увійти зараз
×
×
  • Створити...