Бодибилдинг с Ironflex
Здравствуйте, гость Вход | Регистрация

> Правила форума

Раздел служит исключительно для обсуждения препаратов. Все посты имеющие коммерческий характер будут удалятся.
Торговцам и представителям просьба ознакомится с правилами постинга, чтобы не попасть под бан.

132 страниц V  « < 88 89 90 91 92 > »   
Ответить в эту темуОткрыть новую тему

Хроматографический анализ препаратов

Опции V
trtretre
bartid93
сообщение 17.6.2022, 9:48
Сообщение #891


Тренер чемпионов
********

Группа: Старожилы
Сообщений: 6 064
Регистрация: 29.12.2013
Был 14.9.2025, 2:05



Репутация:   404  

«BioLine»
TURINABOL


Образец представляет собой таблетки белого цвета.
В которых ДВ Хлородегидрометилтестостерон заявлено 10мг/таб.

1) Хроматография:
образец содержит Хлородегидрометилтестостерон

2) Масс-спектрометрия:
Содержание ДВ в образце ~ 8.2мг/таб.

3)Посторонние примеси: НЕ ОБНАРУЖЕНЫ.
Прикрепленные изображения
Прикрепленное изображение Прикрепленное изображение Прикрепленное изображение Прикрепленное изображение
 
Вернуться в начало страницы
Google+  Twitter  FB 
+Ответить с цитированием данного сообщения
trtretre
Finanse
сообщение 17.6.2022, 9:52
Сообщение #892


Атлет
***

Группа: Старожилы
Сообщений: 914
Регистрация: 26.2.2018
Был 6.7.2023, 14:00



Репутация:   58  
нарешті білайн, але недосипали ДВ, шкода (
Вернуться в начало страницы
Google+  Twitter  FB 
+Ответить с цитированием данного сообщения
trtretre
bartid93
сообщение 17.6.2022, 10:01
Сообщение #893


Тренер чемпионов
********

Группа: Старожилы
Сообщений: 6 064
Регистрация: 29.12.2013
Был 14.9.2025, 2:05



Репутация:   404  
Цитата(OlegRO @ 17.6.2022, 9:34) *
короче лотерея

Без метилтеста хотя б)

Цитата(Finanse @ 17.6.2022, 9:52) *
нарешті білайн, але недосипали ДВ, шкода (

У них всегда партии без серии?
Вернуться в начало страницы
Google+  Twitter  FB 
+Ответить с цитированием данного сообщения
trtretre
Finanse
сообщение 17.6.2022, 10:03
Сообщение #894


Атлет
***

Группа: Старожилы
Сообщений: 914
Регистрация: 26.2.2018
Был 6.7.2023, 14:00



Репутация:   58  
Не можу сказати, один раз взяв на пробу. В мене тільки QR код на віалах і то я його не сканував
Вернуться в начало страницы
Google+  Twitter  FB 
+Ответить с цитированием данного сообщения
trtretre
bartid93
сообщение 18.6.2022, 19:16
Сообщение #895


Тренер чемпионов
********

Группа: Старожилы
Сообщений: 6 064
Регистрация: 29.12.2013
Был 14.9.2025, 2:05



Репутация:   404  

“Pharmacom Labs”
PHARMA TREN A 100

Batch No: 604331

Образец представляет собой флакон объёмом 10мл.
В которой ДВ заявлено Тренболон Ацетат 100мг/мл.

1) Хроматография: образец содержит Тренболон Ацетат.

2) Масс-спектрометрия: содержание ДВ в образце ~99.2мг/мл.

3)Посторонние примеси:
НЕ ОБНАРУЖЕНЫ
Прикрепленные изображения
Прикрепленное изображение Прикрепленное изображение Прикрепленное изображение Прикрепленное изображение
 
Вернуться в начало страницы
Google+  Twitter  FB 
+Ответить с цитированием данного сообщения
trtretre
bartid93
сообщение 18.6.2022, 19:20
Сообщение #896


Тренер чемпионов
********

Группа: Старожилы
Сообщений: 6 064
Регистрация: 29.12.2013
Был 14.9.2025, 2:05



Репутация:   404  
“British Dragon”
TESTABOL UNDECANOTE


Образец представляет собой виалу объёмом 10мл.
В которых ДВ Тестостерон Ундеканоат заявлено 200мг/мл.

1) Хроматография: образец содержит Тестостерон Ундеканоат.

2) Масс-спектрометрия: содержание ДВ в образце ~192.8мг/мл.

3) Посторонние примеси:
НЕ ОБНАРУЖЕНЫ
Прикрепленные изображения
Прикрепленное изображение Прикрепленное изображение Прикрепленное изображение Прикрепленное изображение
 
Вернуться в начало страницы
Google+  Twitter  FB 
+Ответить с цитированием данного сообщения
trtretre
bartid93
сообщение 20.6.2022, 12:22
Сообщение #897


Тренер чемпионов
********

Группа: Старожилы
Сообщений: 6 064
Регистрация: 29.12.2013
Был 14.9.2025, 2:05



Репутация:   404  

“Driada Medical”
DROSTARGOS

Batch No: 064033

Образец представляет собой ампулы объёмом 1мл.
В которых ДВ Дростанолон Энантат заявлено 200мг/мл.

1) Хроматография: образец содержит Дростанолон Энантат.

2) Масс-спектрометрия: содержание ДВ в образце ~198.2мг/мл.

3) Посторонние примеси:
НЕ ОБНАРУЖЕНЫ
Прикрепленные изображения
Прикрепленное изображение Прикрепленное изображение Прикрепленное изображение Прикрепленное изображение Прикрепленное изображение Прикрепленное изображение
 
Вернуться в начало страницы
Google+  Twitter  FB 
+Ответить с цитированием данного сообщения
trtretre
bartid93
сообщение 20.6.2022, 12:30
Сообщение #898


Тренер чемпионов
********

Группа: Старожилы
Сообщений: 6 064
Регистрация: 29.12.2013
Был 14.9.2025, 2:05



Репутация:   404  

“Driada Medical”
PROPIOS

Batch No: 065517

Образец представляет собой ампулы объёмом 1мл.
В которых ДВ Тестостерон Пропионат заявлено 100мг/мл.

1) Хроматография: образец содержит Тестостерон Пропионат.

2) Масс-спектрометрия: содержание ДВ в образце ~99.6мг/мл.

3) Посторонние примеси:
НЕ ОБНАРУЖЕНЫ
Прикрепленные изображения
Прикрепленное изображение Прикрепленное изображение Прикрепленное изображение Прикрепленное изображение Прикрепленное изображение
 
Вернуться в начало страницы
Google+  Twitter  FB 
+Ответить с цитированием данного сообщения
trtretre
bartid93
сообщение 22.6.2022, 11:04
Сообщение #899


Тренер чемпионов
********

Группа: Старожилы
Сообщений: 6 064
Регистрация: 29.12.2013
Был 14.9.2025, 2:05



Репутация:   404  

“Driada Medical”
BOLDELAD

Batch No: 064033

Образец представляет собой ампулы объёмом 1мл.
В которых ДВ Болденон Ундесиленат заявлено 250мг/мл.

1) Хроматография: образец содержит Болденон Ундесиленат.

2) Масс-спектрометрия: содержание ДВ в образце ~249.1мг/мл.

3) Посторонние примеси:
НЕ ОБНАРУЖЕНЫ
Прикрепленные изображения
Прикрепленное изображение Прикрепленное изображение Прикрепленное изображение Прикрепленное изображение Прикрепленное изображение
 
Вернуться в начало страницы
Google+  Twitter  FB 
+Ответить с цитированием данного сообщения
trtretre
bartid93
сообщение 22.6.2022, 11:07
Сообщение #900


Тренер чемпионов
********

Группа: Старожилы
Сообщений: 6 064
Регистрация: 29.12.2013
Был 14.9.2025, 2:05



Репутация:   404  

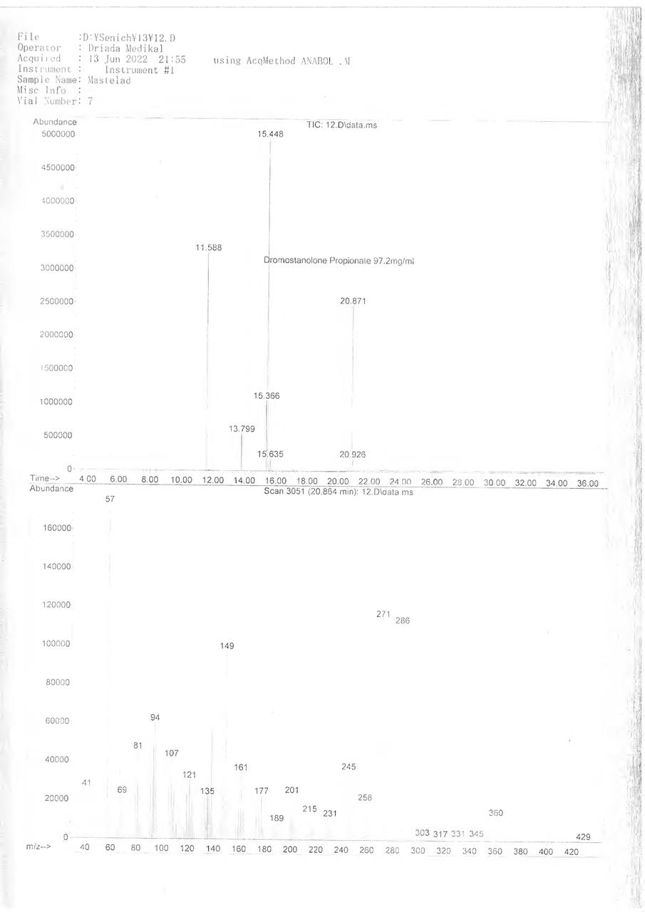
“Driada Medical”
MASTELAD

Batch No: 669938

Образец представляет собой ампулы объёмом 1мл.
В которых ДВ Дростанолон Пропионат заявлено 100мг/мл.

1) Хроматография: образец содержит Дростанолон Пропионат.

2) Масс-спектрометрия: содержание ДВ в образце ~97.2мг/мл.

3) Посторонние примеси:
НЕ ОБНАРУЖЕНЫ
Прикрепленные изображения
Прикрепленное изображение Прикрепленное изображение Прикрепленное изображение Прикрепленное изображение Прикрепленное изображение
 
Вернуться в начало страницы
Google+  Twitter  FB 
+Ответить с цитированием данного сообщения
132 страниц V  « < 88 89 90 91 92 > » 
Быстрый ответОтветить в эту темуОткрыть новую тему
6 чел. читают эту тему (гостей: 6, скрытых пользователей: 0)
Пользователей: 0

 

Режим отображения: Стандартный · Переключить на: Линейный · Переключить на: Древовидный

Подписка на тему · Сообщить другу · Версия для печати · Подписка на этот форум

BCAA, Аминокислоты, Батончики, Витамины и минералы, Гейнер, Глютамин, Для связок и суставов, Донаторы азота, Жиросжигатели, Заменители питания, Креатин, Повышение тестостерона, Протеин, Специальные препараты, Энергетики, Шейкер, Спортивная бутылка, Атлетический пояс, Перчатки, Лямки, Крюки для тяги, Коленный бинт, Кистевой бинт, Петли спортивные, Таблетницы, Грим, Кинезио тейп
Язык/Мова/Lang
Текстовая версия Сейчас: 7.10.2025, 3:32